ስካፎልድ ማያያዣዎች , ስካፎልዲዎችን በሚገነቡበት ጊዜ የብረት ቱቦዎችን ለማገናኘት የሚያገለግሉ እና በብረት ቱቦዎች እና ሌሎች መዋቅሮች መካከል ያሉ ማያያዣዎች በተለያዩ የፕሮጀክቶች ዓይነቶች ውስጥ በስፋት ጥቅም ላይ ይውላሉ . ብዙውን ጊዜ የአውሮፓ ደረጃዎች እና የጃፓን ደረጃዎች አሉ. EK እንደ ቻይና መሪ ስካፎልዲንግ አቅራቢ አቅራቢ ፣ የአውሮፓ ደረጃ ከፍተኛ ጥራት ያለው ስካፎልዲንግ ጥንዚዛን በማስተዋወቅ ላይ ያተኩራል የሚከተሉትን አገሮች አጠቃቀም ለማሟላት ኦስትሪያ ፣ ቤልጂየም ፣ ቆጵሮስ ፣ ቼክ ሪፖብሊክ ፣ ዴንማርክ ፣ ኢስቶኒያ ፣ ፊንላንድ ፣ ፈረንሳይ ፣ ጀርመን ፣ ግሪክ ፣ ሃንጋሪ ፣ አይስላንድ ፣ አየርላንድ ፣ ጣሊያን ፣ ላቲቪያ ፣ ሊቱዌኒያ ፣ ሉክሰምበርግ ፣ ማልታ ፣ ኔዘርላንድስ ፣ ኖርዌይ ፣ ፖላንድ ፣ ስዊድን መንግሥት.
| ድርብ መከለያ | ስዊዩሊካል | ||
| 48.3 * 34 | 48.3 * 34 | 34 * 34 | 34 * 38 |
| 48.3 * 38 | 48.3 * 38 | 38 * 38 | 38 * 42 |
| 48.3 * 42 | 48.3 * 42 | 42 * 42 | 42 * 60 |
| 48.3 * 48.33 | 48.3 * 48.33 | 48.3 * 60.3 | - |
| 48.3 * 60 | 48.3 * 60 | 60 * 60 | 60 * 76 |
| 48.3 * 76 | 48.3 * 76 | 76 * 76 | 86 * 89 |
| 48.3 * 60.3 | 48.3 * 89 | 89 * 89 | - |
| 60.3 * 60.3 | 60.3 * 60.3 | - | - |
| እጅጌ/የጋራ መገጣጠሚያ | የወላጅ መንደር | ፑሎግ/ነጠላ ጥንዶች | የቦርድ መያዣ መያዣ | የርቀት ተጓዳኝ | SK - Bjelke Klips | Dobbelt Oppheng ክሊፕስ | ግሬቭሎክ | ቀለበት ጥንድ |
| 48.3 * 48.33 | 48.3 * 45 | 48.3 * 48.33 | 48.3 * 38 | 48.3 * 74 | 48.3 | 48.3 * 48.33 | 48.3 | 48.3 |
| 40*40 | 48.3 * 50 | - | 48.3 * 45 | 48.3*98 | - | - | - | - |
| - | 48.3 * 55 | - | 38 * 38 | - | - | - | - | - |
የውጤቶች ማጠቃለያ
| አይ። | የሙከራ ንጥል | የሙከራ ዘዴ |
| 1 | ኃይል ተንሸራታች ኃይል | En 74-1: 2005 |
| 2 | ውድቀት | En 74-1: 2005 |
የሙከራ ውጤቶች
| የሙከራ አንቀጽ | የሙከራ ንጥል | የሙከራ መስፈርት | የሙከራ ውጤት | ማጠቃለያ |
|
7.2.1
|
ኃይል ተንሸራታች ኃይል
| △ 1≤7 ሚሜ, ኤፍ, 5% ≥10.0 ኪ. | △ 1 = 7 ሚሜ, ኤፍ, 5% = 158 ኪ.ግ. |
ማለፍ
|
| 1 ሚሜ 2 ሚሜ, ኤፍ, 5% ≥15.0kn | 1 ሚሜ 2 ሚሜ, ኤፍ, 5% = 15.91kn | |||
| 7.2.2 | ውድቀት | FF, 5% / γr2 ≥30.0 ኪ. | FF, 5% / γr2 = 50.63KN | ማለፍ |
በተለመደው ሁኔታ, እሱ ለመድረስ አስቸጋሪ ነው, b ደረጃን ለማግኘት ከባድ ነው, ግን ደረስን
የውጤቶች ማጠቃለያ
| አይ። | የሙከራ ንጥል | የሙከራ ዘዴ |
| 1 | ኃይል ተንሸራታች ኃይል | En 74-1: 2005 |
| 2 | ውድቀት | En 74-1: 2005 |
የሙከራ ውጤቶች
| የሙከራ አንቀጽ | የሙከራ ንጥል | የሙከራ መስፈርት (Swivel Cug, ክፍል ለ) | የሙከራ ውጤት | ማጠቃለያ |
|
7.2.1
|
ኃይል ተንሸራታች ኃይል
| △ 1≤7 ሚሜ, ኤፍ, 5% ≥10.0 ኪ. | △ 1≤7M, FS, 5% = 10.6 ኪ.ግ. |
ማለፍ
|
| 1 ሚሜ 2 ሚሜ, ኤፍ, 5% ≥15.0kn | FS = 30 ኪ.ሜ, △ 2˂1 ሚሜ | |||
| 7.2.2 | ውድቀት | FF, 5% / γr2 ≥20.0.0 ኪ. | FF, 5% / γr2 = 24.4 ኪ.ግ. | ማለፍ |
የውጤቶች ማጠቃለያ
| አይ። | የሙከራ ንጥል | የሙከራ ዘዴ |
| 1 | ጊዜን የመቋቋም ችሎታ | En 74-1: 2005 ዓረፍተ ነገር 7.4.3 |
| 2 | ኃይል ተንሸራታች ኃይል | En 74-1: 2005 ዓረፍተ ነገር 7.2.1 |
የሙከራ ውጤቶች
| የሙከራ ንጥል | የሙከራ ውጤት | የሙከራ መስፈርት (እጀት ሱቆች, ክፍል ለ) | ማጠቃለያ |
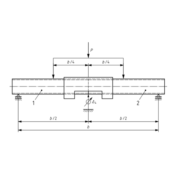
| ጊዜን የመቋቋም ችሎታ | △ 4 = 5 ሚሜ, MB, 5% = 1.43knm | △ 4 = 5 ሚሜ, MB, 5% ≥1.4 ኪነም | ማለፍ |
የውጤቶች ማጠቃለያ
| አይ። | የሙከራ ንጥል | የሙከራ ዘዴ |
| 1 | የመቋቋም ችሎታ | Bs 1139-2.20: 2009 + A1 እ.ኤ.አ. 2015 እ.ኤ.አ. 2015 ዓ.ም. |
የሙከራ ውጤቶች
| የሙከራ ንጥል | የሙከራ ውጤት | የሙከራ መስፈርት | ማጠቃለያ |
| የመቋቋም ችሎታ | 1 ሚሜ 2 ሚሜ, ኤፍ, 5% = 1.83KN | 1 ሚሜ 2 ሚሜ, ኤፍ, 5% ≥1.04kn | ማለፍ |
የውጤቶች ማጠቃለያ
| አይ። | የሙከራ ንጥል | የሙከራ ዘዴ |
| 1 | ጥንካሬ ሙከራ | እንደ / nzs 1576.2: 2016 APIDE L |
| 2 | ቱቦው ላይ የተዘበራረቀ ሙከራ | እንደ / nzs 1576.2.2.29 እ.ኤ.አ. 2016 አባሪ ሜ |
| 3 | በቱቦው ውስጥ የእንጨት ጉድለት | እንደ / nzs 1576.29: 2016 APIDE N |
የሙከራ ውጤቶች
| የሙከራ አንቀጽ | የሙከራ ንጥል | የሙከራ መስፈርት | የሙከራ ውጤት | ማጠቃለያ |
| አባሪ l | ጥንካሬ ሙከራ | P = 30.0 ኪ.ግ, ምንም እንኳን ጠንካራ ክላፋት ማንኛውንም ቋሚ ስብስብ አያሳይም | P = 30.0 ኪ.ግ, ምንም እንኳን ጠንካራ ክላፋት ማንኛውንም ቋሚ ስብስብ አልተገኘም | ማለፍ |
| አባሪ ሜ | ቱቦው ላይ የተዘበራረቀ ሙከራ | P = 12.5 ኪ.ግ, ተንሸራታች ≤ 6 ሚሜ | P = 12.5 ኪ.ግ, ማንሸራተት <6 ሚሜ | ማለፍ |
| አባሪ n | በቱቦው ውስጥ የእንጨት ጉድለት | P = 12.5 ኪ.ግ, ተንሸራታች ≤ 6 ሚሜ | P = 12.5 ኪ.ግ, ማንሸራተት <6 ሚሜ | ማለፍ |
የውጤቶች ማጠቃለያ
| አይ። | የሙከራ ንጥል | የሙከራ ዘዴ |
| 1 | ውድቀት | ከ en 74-1: 2005 ጋር በማጣቀሻ |
| የሙከራ ንጥል | የሙከራ ውጤት | |||||
| 1 # | 2# | 3 # | 4 # | 5 # | 6# | |
| ውድቀት ኃይል (KN) | 42.84 | 38.89 | 43.60 | 42.91 | 40.79 | 29.8 |
| ለሄክሳጎን ንጥረ ነገር በባዶዎች ውስጥ ስፋት እና ሀገሮችን በመጠቀም | ||
| ስፋት | 21 | ዩናይትድ ኪንግደም እና ኮመንዌልዝ የብሔሮች |
| ስፋት | 22 | አሜሪካ, ጀርመን እና አንዳንድ የሩሩፓስ አገራት |
| ስፋት | 23 | አውስትራሊያ |
| ስፋት | 19 | ጃፓን, ደቡብ ኮሪያ እና አንዳንድ ደቡብ ምስራቅ እስያ አገሮች |
|
| ቦልቦር ዳቦ | በባዶዎች ውስጥ ስፋት | ቁመት | በባዶዎች ውስጥ ስፋት | ቁመት | በባዶዎች ውስጥ ስፋት | ቁመት |
| ሄክክሲጎን ነት | 1/2 ' | S21 | H11 | S22 | H11 | S23 | H11 |
| ሄክክሲጎን ነት |
| Sf21 | ኤች 14 | Sf22 | ኤች 14 | Sf23 | ኤች 14 |
| ሄክክሲጎን ነት |
| Sf21 | H19 | Sf22 | H19 | Sf23 | H119 |
| ሄክክሲጎን ነት |
| S21 | H15 |
|
|
|
|
| ሄክክሲጎን ነት | M14 | S22 | H11 | S23 | H11 |
|
|
| ሄክክሲጎን ነት |
| Sf22 | ኤች 14 | Sf23 | ኤች 14 |
|
|
| ሄክክሲጎን ነት |
| Sf22 | H19 | Sf23 | H119 |
|
|
| ሄክክሲጎን ነት | M12 | Sf19 | H9 |
|
|
|
|
| Wing nut | 1/2 |
|
|
|
|
|
|
|
| ዳያ | ውጤታማ ርዝመት / የቦታ ርዝመት | መጠቀም |
|
T-back | 1/2 | 75-88 | ዩናይትድ ኪንግደም እና ኮመንዌልዝ የብሔሮች |
| M14 | 75-87 | አሜሪካ, ጀርመን እና አንዳንድ የሩሩፓስ አገራት | |
| M14 | 98-110 | አሜሪካ, ጀርመን እና አንዳንድ የሩሩፓስ አገራት | |
|
የዓይን መከለያ | 1/2 | 67-86 | ዩናይትድ ኪንግደም እና ኮመንዌልዝ የብሔሮች |
| M12 | 57-73 | ዩናይትድ ኪንግደም እና ኮመንዌልዝ የብሔሮች | |
| M14 | 70-90 | አሜሪካ, ጀርመን እና አንዳንድ የሩሩፓስ አገራት | |
| የመጨረሻ መከለያውን ማሽከርከር | 1/2 | 45-82 | ለ Putog Counly, BRC, ወዘተ. |
|
ሰረገላ መከለያ |
1/2 | 116-125 |
ለ TUBE ውጫዊ ክላች, ሁለንተናዊ ክላች, ወዘተ. |
| 85-92 | |||
| ሄክሳጎን መከለያ | M16 | 72-80 | ለመከር ጠላፊዎች, DF መገጣጠሚያዎች |
| ጠፍጣፋ ቲ-መከለያ | 1/2 | 66-76 | ለጣሊያንኛ ባልደረባዎች |
|
| ውፍረት | ውስጣዊ / ውጫዊ ዲፓ. |
|
ማጠቢያ | 3.5 | 13-26 |
| 5 | 13-26 |
በእውነት ተወዳዳሪ! EK ስካፎልዲንግ የአረብ ብረት አመጣጥ አቅራቢያ ነው እና ትልቅ የትእዛዝ መጠን ስላለን በአንፃራዊነት ርካሽ የአረብ ብረት ጥሬ ዕቃ ዋጋ እናገኛለን። ዝቅተኛ የጉልበት ዋጋ እና በሻንጋይ የባህር ወደብ አቅራቢያ የእኛ ጥቅሞች ናቸው. እና ከሁሉም በላይ፣ 'ያነሰ ትርፍ ግን ትልቅ ለውጥ ' ቻይና ከፍተኛ ጥራት ያለው ስካፎልዲንግ ጥንድ አቅራቢ ለመሆን ዘላለማዊ የንግድ መርሆችን ነው።
1.EK በ EN74/BS1139/EN1065/AS1576 ደረጃ የተቀመጡትን ድንጋጌዎች በጥብቅ ይከተላል።
2.EK ስካፎልዲንግ ከጥሬ ዕቃዎች መግቢያ እና የተጠናቀቁ ቁሳቁሶችን መላክ ጀምሮ አንድ ሙሉ የጥራት ቁጥጥር ስርዓት አለው።
ምንም አነስተኛ የትዕዛዝ ብዛት፣ በርካታ የምርት መስመሮች በየተወሰነ ጊዜ ይመረታሉ፣ በማንኛውም ጊዜ ይገኛሉ።
የቅጂ መብት © 2016 - 2026 EK Metalwork Co., Ltd. ሁሉም መብቶች የተጠበቁ ናቸው።
